● OEM/ODM 금형 커스터마이징
● 무료 샘플 제공
● 7일 내 프로토타입 제작
● 최대 3일 이내 신속한 납품
● 제로 리스크 협력: 품질이 기준에 미달할 경우 전액 환불 보장
● ISO 9001 & BSCI 인증 공장
● SGS/CE/ROHS/REACH 인증 제품
● 원자재부터 완제품 검사까지 100% 자체 통제로 숨겨진 비용 18% 절약
제품 설명
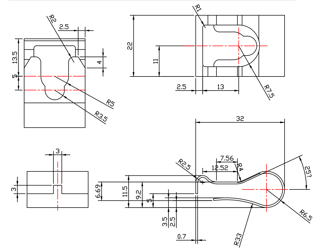
금속 스탬핑 프로세스 높은 효율성, 대량 생산 5000pcs / 24H.
낮은 비용, 높은 정확도, ±0.03MM까지의 정확도
재료의 종류: 알루미늄, 구리, 스테인리스강, 철, 탄소강 등
성숙하고 안정적인 공정, 사용자에게 최신 압출 솔루션을 제공합니다;
공장의 효율성을 높이고 비용을 절감하며, 신속한 공급으로 사용자의 비용을 줄이고 시장 경쟁력을 강화합니다.
적용 분야: 자동차 부품, 태양광 부품, 가전제품, 전자장비 부속품, 가구, 정원 부속품, 건축 하드웨어, 전자 커넥터.
서비스: 무료 설계도면, 무료 곰팡이 교정, 30만건 이상 곰팡이 수수료 반환
최소주문수량: 500개
배송 시간: 15-20일
제품 매개변수
브랜드 이름 |
TCJH |
원산지 |
중국 푸젠 |
제품명 |
와이퍼 클램프 |
모델 번호 |
맞춤형 |
항목 |
자동차 부품 지원 붐 |
스타일 |
클램프 |
재질 |
카톤 스틸 |
사용 |
와이퍼용 금속 피팅 |
크기 |
0.7*22*32mm (크기) |
서비스 |
OED/ODM |
마감 |
니켈 도금 |
공정 |
정밀 압출 |
응용 분야 |
자동차 부품 및 액세서리 |
품질 인증서 |
ISO9001-2015 |


저작권 © 2024 Xiamen Tongchengjianhui Industry & Trade Co., Ltd. 보유. - 개인정보 처리방침